在兴趣驱使下,开始制作 Cyclarium 自行车码表,使用 ESP32-S3 作为码表的主控,自己画电路板
最开始全部元件都使用的是现成的模块(对,就是杜邦线插上就能用的那种)来进行功能验证,本来都是在功能全部验证后才开始画电路图,结果没想到还能遇到这么多问题
充电电路
由于自行车电路还是需要锂电池来供电,尝试了好多种充电芯片:TP5400、TP5410、IP2326… 最后要不然是升压失败,要不然是能升压,但是锂电池不给芯片供电,期间也检查了好多次电路,甚至祭出了飞线大法,最终也无济于事
最后,通过换了个充电芯片解决: SY6912AFCC
还是最后在搜索引擎上随便乱搜搜到的,电路直接参考数据手册中的应用电路绘制:

电路比 TP5400 这些复杂了许多,但是没办法,始终无法用 TP 系列的芯片复刻成功,哪怕后来重新复制了一次以前成功过的板子来也不行,感觉是玄学问题了,水平和设备都不够排错了!
屏幕连接
购买的 40 PIN 插接的屏幕一直无法点亮。考虑到方便调试才购买的插接款,在某宝上随意搜索了一个 FPC 连接器:

购买焊接好之后,无论如何,背光都点不亮,我甚至怀疑过是不是我三极管买错了:

直接短接三极管,也不亮。用万用表测试确实有电压,标准的 3.3V,FPC那一端没留测试口,没办法测试。
最后发现是这个tm连接器有问题,怎么扣都压根不接通,购买了一批新的连接器:

这把再焊接上去,手动给供电,成功点亮!(不要问为什么是手动给,之前测试电源的时候给单片机打坏了,还给我电一下。。。)
当然,这里只是背光点亮了,还没有给屏幕点亮成功,因为单片机炸了,新板子和单片机正在路上…
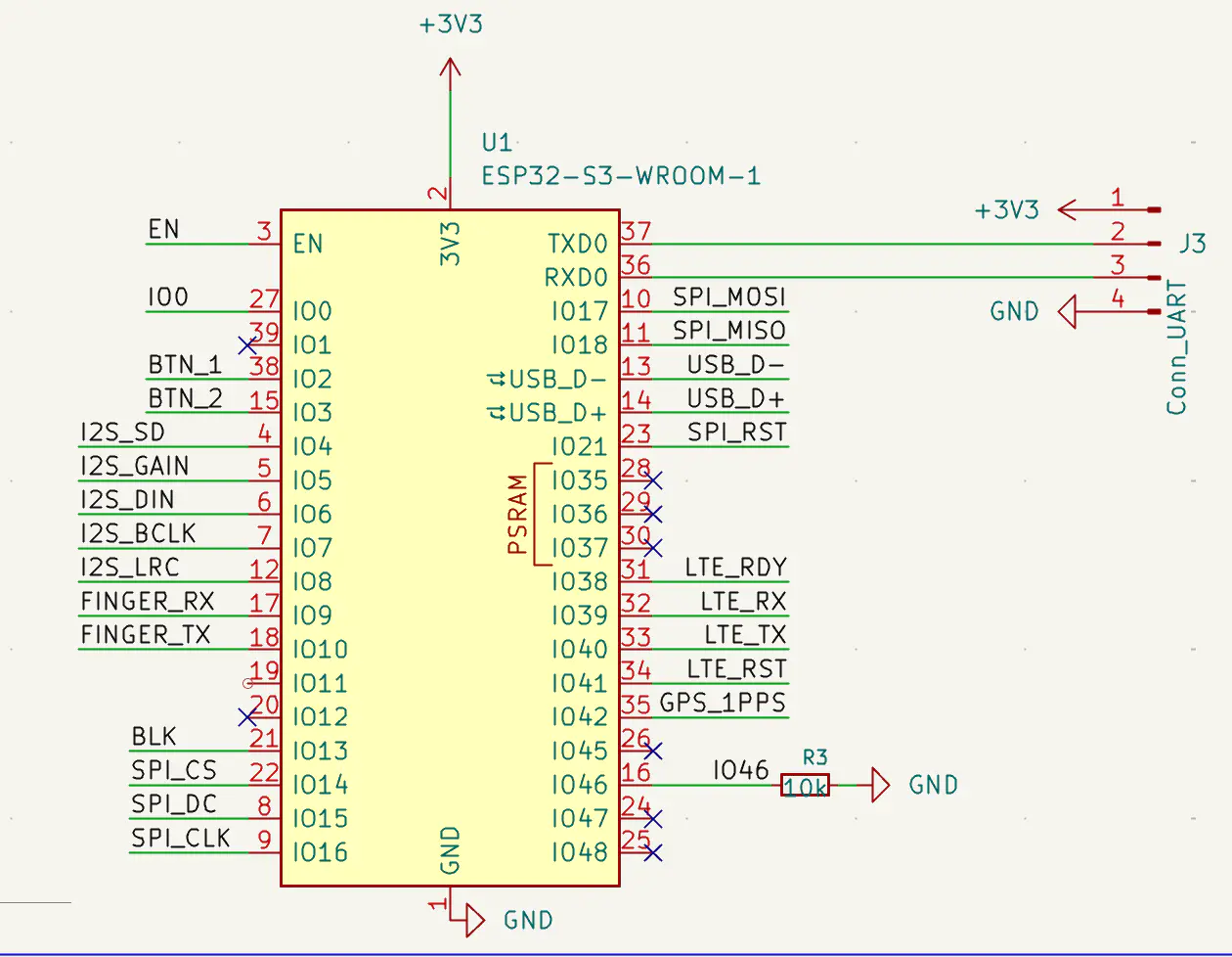
ESP32-S3

这里也分享一下成功点亮的电路

更多踩坑后续应该还有…